高低应变基桩动测仪



特点


高应变部分
采用2000µε的大量程应变传感器,且两侧带保护
采用24bit的高精度AD分辨率
采样频率分为10kHz,20kHz和40kHz四档可调
采样长度1024点、2048点和4096点可选,最大采样时间可达400ms
试验时能够对加速度和应变传感器进行自检,自判定系统是否处于正常状态,并在仪器上提示
能够实时自动检查应变传感器的由于安装原因产生的静态应变偏差值,并在试验之前自动归零校正
数据通过外置的U盘直接导出
能连续采样,自动保存,一次性最多可贮存10万多锤实测曲线
仪器可以用于灌注桩承载力和桩身完整性检测
专门的设计用于连续打桩监控试验
数据格式可与PDA兼容(.X01格式)
主电缆、一分四电缆、传感器及其接头可与PDA兼容(卡口)
仪器内置锂电池,可连续使用6小时以上
具有数据远程传输和仪器现场GNSS定位功能
PDAR分析软件,进行凯司法实时计算分析
RCAPWA拟合分析软件具有智能化全自动拟合分析功能

低应变部分
采用24bit的高精度AD分辨率
采样频率48kHz,96kHz,144kHz三档可调
采样长度4096点
现场采集数据时,具有多锤平均叠加功能
仪器具有现场已检测桩数量的自动统计功能
数据通过外置的U盘直接导出
具有小波分析功能
能连续采样;自动或手动保存可选,一次性可保存10万多条实测曲线
采样同时,能作指数放大和小波分析等
分析软件功能齐全,操作方便。不仅具有指数放大、高通和低通滤波等常规分析功能,而且具有先进的小波分析功能,能使曲线去伪存真,让桩身质量本质表露无遗
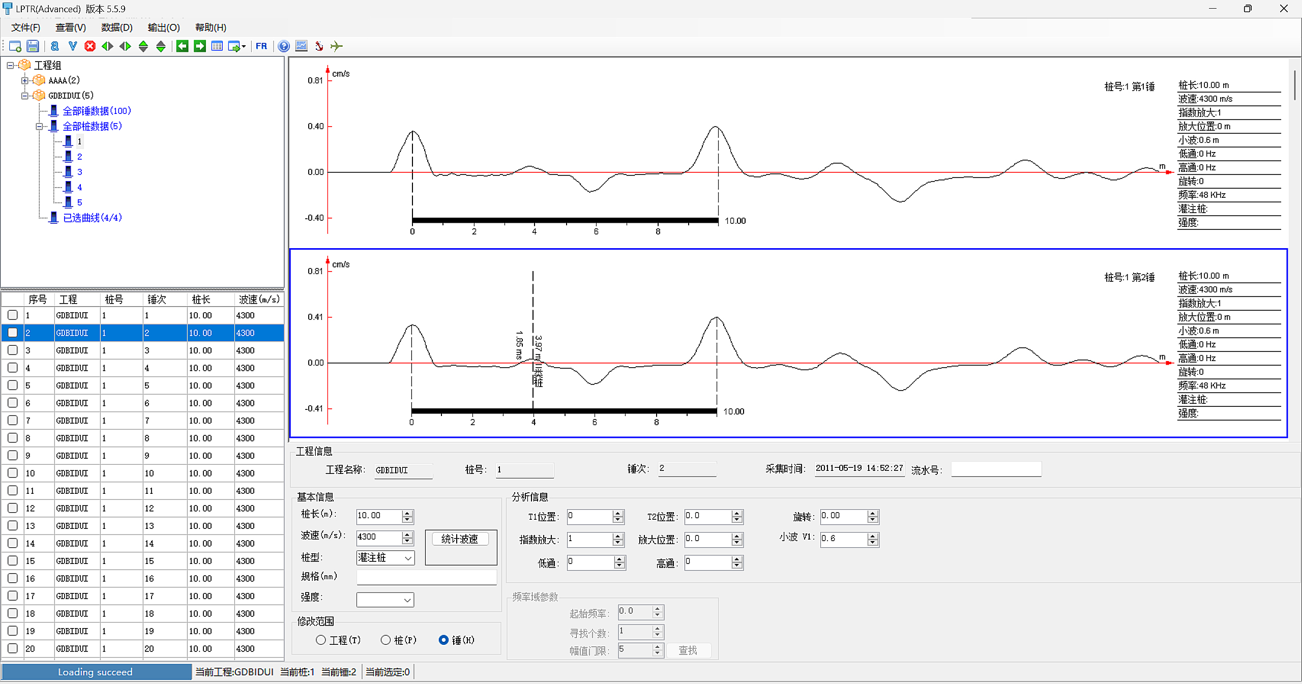
数据分析时,在参数“修改范围”中具有“工程”、“桩”和“锤”三种修改方式,实现了实测曲线分析的批处理,大大提高了数据分析的速度和工作效率
具有桩身缺陷位置自动计算功能,能在实测曲线上标识多个缺陷
能进行频域分析,以帮助缺陷检测和定位
能定量计算桩身阻抗外形,生成桩身阻抗-深度关系图,以帮助估计基桩形状
能进行双速度分析,分离上、下行波,以帮助分析既有结构或未知长度的基桩
完整性判定结果能直接输出在汇总表中,无需分析人员手动编辑







技术规格


主机尺寸:225×172×62mm
主机重量:2.0kg
8英寸触摸屏和高亮度彩色液晶显示屏
接头全部采用军工级航空插头,仪器采用金属外壳,全封闭,防尘、防水







软件界面


低应变


桩身完整性分析



双通道分析



阻抗分析



导出工程图报告



高应变


凯司法分析软件图



拟合分析软件图



位移-荷载曲线图



桩侧土阻力分布图







产品配置