双通道低应变基桩动测仪
特点
软件
技术规格
软件界面




产品配置








采用24bit的高精度AD分辨率
采样频率48kHz,96kHz,144kHz三档可调
采样长度4096点
现场采集数据时,具有多锤平均叠加功能
仪器具有现场已检测桩数量的自动统计功能
数据通过外置的U盘直接导出
具有小波分析功能
能连续采样;自动或手动保存可选,一次性可保存10万多条实测曲线
采样同时,能作指数放大和小波分析等
具有数据远程传输和仪器现场GNSS定位功能
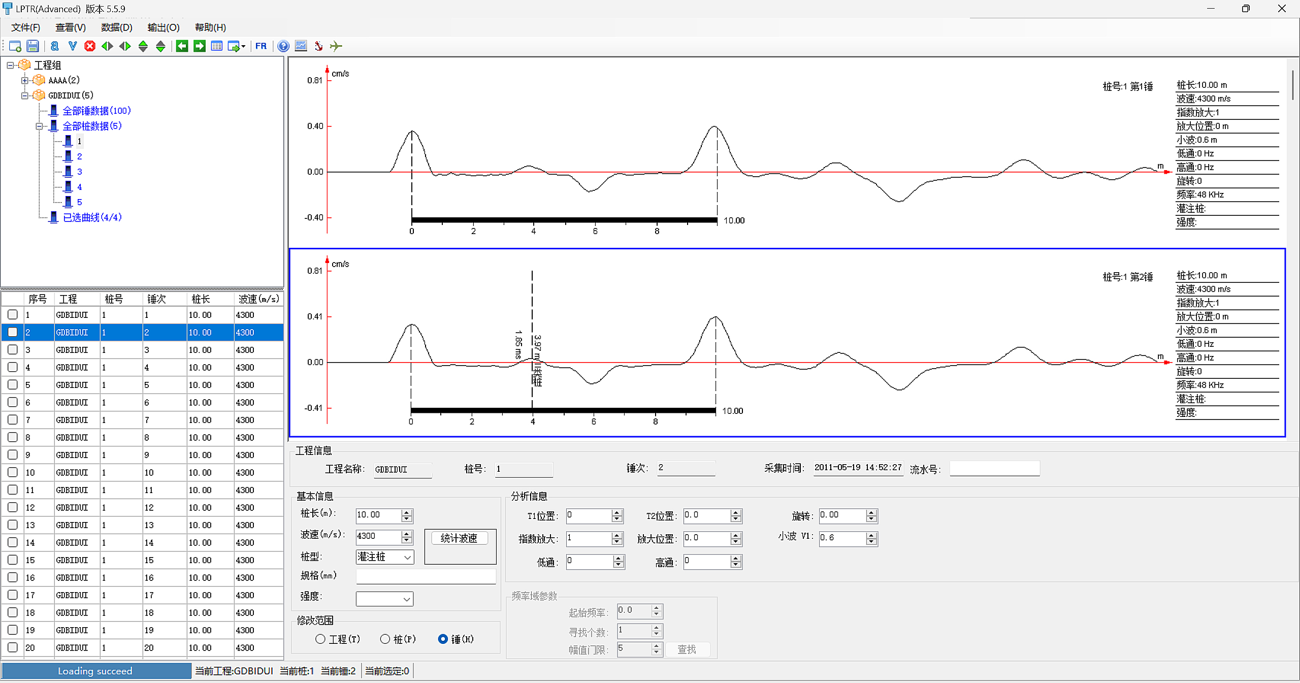
分析软件功能齐全、操作方便。不仅具有指数放大、高通和低通滤波等常规分析功能,
而且具有先进的小波分析功能,能使曲线去伪存真,让桩身质量本质表露无遗
数据分析时,在参数“修改范围”中具有“工程”、“桩”和“锤”三种修改方式,
实现了实测曲线分析的批处理,大大提高了数据分析的速度和工作效率
具有桩身缺陷位置自动计算功能,能在实测曲线上标识多个缺陷
能进行频域分析,以帮助缺陷检测和定位
能定量计算桩身阻抗外形,生成桩身阻抗-深度关系图,以帮助估计基桩形状
能进行双速度分析,分离上、下行波,以帮助分析既有结构或未知长度的基桩
完整性判定结果能直接输出在汇总表中,无需分析人员手动编辑
主机尺寸:225×172×62mm
主机重量:1.9kg
8英寸触摸屏和高亮度彩色液晶显示屏
仪器采用金属外壳,全封闭,防尘、防水
桩身完整性分析

双通道分析

阻抗分析

导出工程图报告



©2021-2026 广东地空智能科技有限公司 版权所有 粤ICP备2021112163号-1